Roller Tube Bender

From Artisans Asylum Wiki

Link to: Metal Shop main page

Link to: Metal Shop tool list


TR-50 Roller Tube Bender
Roller tube bender
General Info
Make
Model
Serial Unknown
Specs n/a
Manual Roller BenderManual
Asylum Info
Location Metal Shop
Rubric n/a
Training Tool classes
Testing Tool testing, or come to the shop on Tool Testing Night
Restrictions green


Use for:

  • Rolling / bending metal tube (measured by outside diameter).
  • The shop owns a limited number of die sets, including a 1” square tube die set.

Do Not Use for:

  • Do not bend wrong tube sizes with a given die set. Die sets are specific to tube size.

Hazard Analysis

  • Eye protection required. (Metal can snap while bending, and flakes of rust, mill scale, or paint can become airborne.
  • Cuts / Scrapes from sharp cut edges of the workpiece. Use of gloves is acceptable when using this machine.
  • Pinched fingers, skin.
  • Cuts / Scrapes / bruises if care is not taken to prevent metal stock from slipping during the bending process.
Warning Safety glasses Eye protection required!


tube diam chart
Tube diameters of available rollers.

Notes and Best Practices

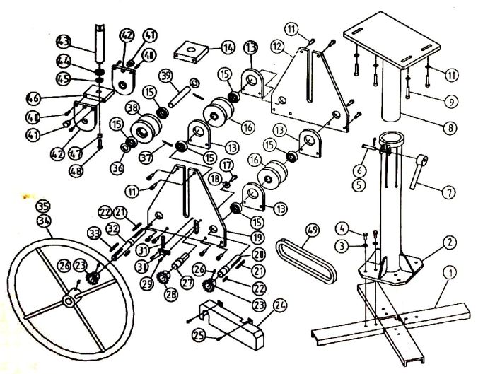
Piece numbers refer to the exploded view below.

  • The bearings need frequent lubrication and should be checked regularly.
  • To change the lower rollers (16), remove the back frame (12) by unscrewing screws 11 and 9. Remove the cotter pin (37) and washer (36).
  • To change the upper roller (38) remove the cotter pin (39).
  • With thinner tube, less pressure and a slower feed rate may be require prevent tube compression.
  • Tighten or loosen the chain by adjusting the Chain Adjustment Screw (31).


roller bender exploded
Exploded view of the roller bender

Basic Operation Instructions

1. Loosen the Screw Rod (43) at the top of the machine.

2. Insert workpiece into the Rollers, and use the Hand Wheel to move the tube through the machine.

3. Tighten the Screw Rod, and roll in the opposite direction.

4. Repeat the back and forth rolling process until the desired bend is achieved.

Video

How to use the roller bender